Всем привет!
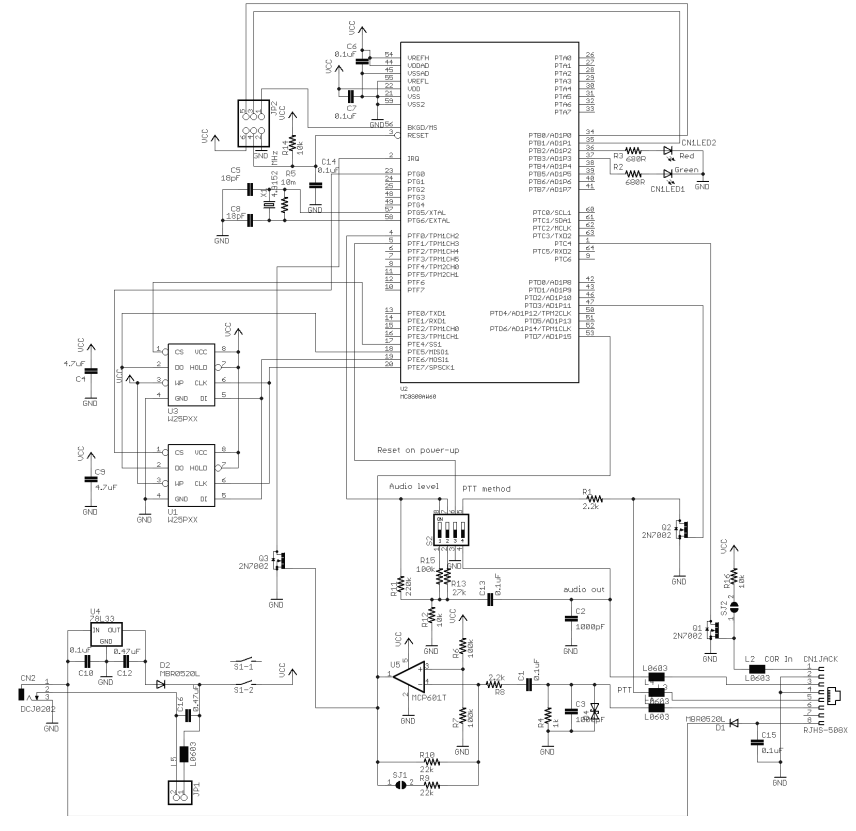
В общем "умер" прибор. При включении греется сильно микросхема. Самое странное что приложенная схема от производителя отличается от деталей на плате.


Маркировка на плате не совпадает со схемой ... U4 на схеме, а на плате U3. Странный производитель))
Думаю сперва посмотреть регулятор напряжения U4(U3). В Westbalte не продается, только в Lemona ...
Upd!Посмотрел, регулятор "помер". Проблема в другом. Регулятор для питания через разъем для питания ри 4 до 28 вольт. При подачи стандартнрнр питания через контакты JP1 до 3 вольт от батарееу стабилизатор напряжения не требуется и при этом значительно греется процессор. Вопрос "Куда копать?"
Греется квадратная микросхема U2. По надписи микросхемы это процессор. Возможно что-то померло в обвязке вокруг нее или внутреннее замыкание ..
С микросхемами прежде никогда не сталкивался, в основном были мелкие ремонты начального уровня ))
Думаю целесообразно ли чинить или покупать новый блок ....
Upd!На входе VSS 0.4-0.5 вольта ... Греется! Скорее всего инструкции или программный код прописан в процессоре, то, реанимировать бесполезно ..